90° pystykulma, laskeva FT

Tuotenro 7007056 | EAN-numero 4012195476818

7007056 / RBV 610 F FT
100 mm
teräs
= upottamalla kuumasinkitty
sinkki
Tuotteen kuvaus
Tuotteen kuvaus
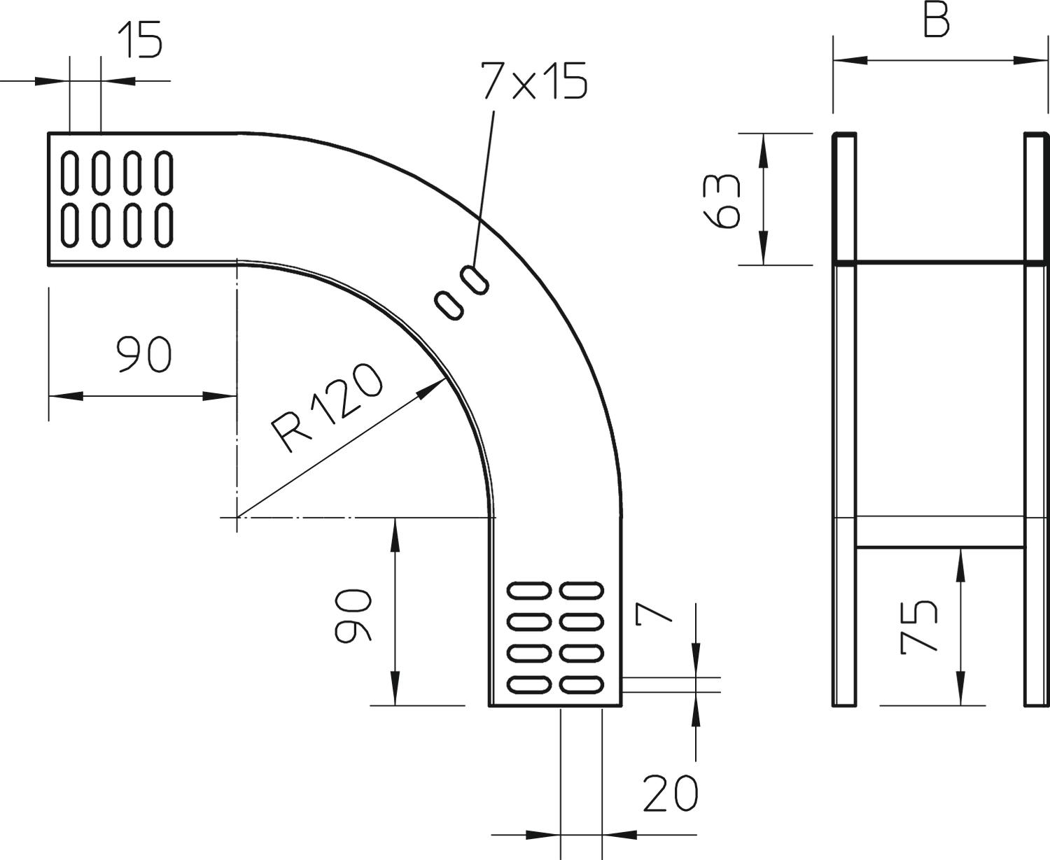
Nivelhylly 90° laskeva malli kaikille levyhyllytyypeille, sivun korkeus 60 mm.

Pystykulma työnnetään levyhyllyn päähän ja ruuvataan kiinni. Kiinnitystarvikkeet on tilattava erikseen.

  • Communautés Européennes, EY-vaatimustenmukaisuusselvitys EY-normien mukaan
  • UKCA-vaatimustenmukaisuusvakuutus
  • Levyhylly, sivun korkeus 60 mm
  • CO₂-jalanjälki (PCF)
Tekniset tiedot

Tekniset tiedot

Asennusrei'itys pohjassa ei
CO2-jalanjälki (GWP) kehdosta portille 2,1518 kg CO2e / 1 Kappale
Kaapelihyllyjen jatkokappaletyyppi ruuvattu
Koko 60x100
Korkeus 60 mm
Korkeus 2 in
Levyn paksuus 1 mm
Liittimen malli ilman jatkokappaletta
Materiaali teräs
Mitta B 100 mm
NATO - reikäkuva ei
Palonkestävyys kyllä
Pinta = upottamalla kuumasinkitty
Pitkän kannatusvälin malli ei
Pohjamitta 4 in
Pohjamitta 100 mm
Ruostumaton teräs, peitattu ei
Sivurei'itys ei
Suunnanmuutos pystysuora, laskeva
Taivutus (kulma) 90°
Väri sinkki
Kaikki tyypit

Kaikki tyypit

Tyyppi Pohjamitta Materiaali Pinta Väri Tuotenro Määrä pienin myyntiyksikkö
RBV 610 F FT 100 mm teräs = upottamalla kuumasinkitty sinkki 7007056
1 Kappale
Lataukset

Lataus

EU-vaatimustenmukaisuusvakuutus RBV 610 F FT / 7007056 , 0.13MB , pdf
Lataus
REACH Vaatimustenmukaisuusvakuutus RBV 610 F FT / 7007056 , 0.12MB , pdf
RoHS Vaatimustenmukaisuusvakuutus RBV 610 F FT / 7007056 , 0.12MB , pdf

Lataus

RBV 610 F FT / 7007056
Lataus